Инвертор солнечного насоса INVT 2019 высокого качества с


Поделиться:


Цена:*

Количество:



Описание и отзывы


Трекер стоимости

Месяц Минимальная цена Макс. стоимость
Sep-16-2025 0.57 $* 0.20 $*
Aug-16-2025 0.4 $* 0.51 $*
Jul-16-2025 0.91 $* 0.33 $*
Jun-16-2025 0.31 $* 0.45 $*
May-16-2025 0.55 $* 0.38 $*
Apr-16-2025 0.85 $* 0.79 $*
Mar-16-2025 0.25 $* 0.3 $*
Feb-16-2025 0.2 $* 0.93 $*
Jan-16-2025 0.91 $* 0.32 $*

Характеристики


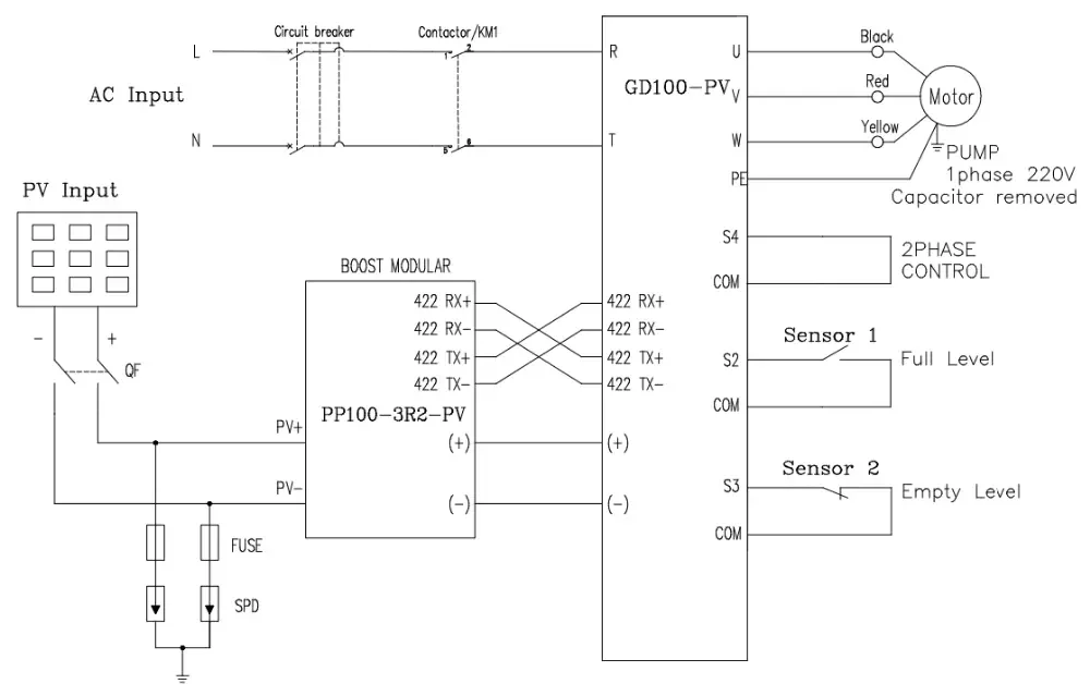
Product Introduction

Goodrive100-PV series are inverters that INVT newly launches specially for solar pumping applications.

1.Improve the usability and performance and extend applicable voltage levels and power segments.

2.Provide users with options including the boost module,GPRS module,and mobile App,and provide protection level IP54 application in hostile environments.

Product Parameters
Options
GPRS Modules
Solution
Inverter of IP54
Configuration
Installation

Похожие товары

Данные ресурс не является интернет-магазином, а лишь содержит ссылки на международную торговую площадку Alibaba.com