12v/ 40 ампер heavy duty автомобильные реле


Поделиться:


Цена:*

Количество:



Описание и отзывы


Трекер стоимости

Месяц Минимальная цена Макс. стоимость
Sep-17-2025 0.62 $* 0.23 $*
Aug-17-2025 0.75 $* 0.53 $*
Jul-17-2025 0.65 $* 0.6 $*
Jun-17-2025 0.0 $* 0.8 $*
May-17-2025 0.92 $* 0.74 $*
Apr-17-2025 0.20 $* 0.45 $*
Mar-17-2025 0.99 $* 0.96 $*
Feb-17-2025 0.28 $* 0.77 $*
Jan-17-2025 0.81 $* 0.48 $*

Характеристики


12v/ 40 amps heavy duty automotive relays fls820-012-1abig820-1.jpg

Product Description

 

Relay Features:

 

  • 40A switching capability

  • 1 form A,I form B,1 form C,

    1 form U,2 form A contact form

  • Various mounting terminations available

  • Sealed IP67 and dust cover types available

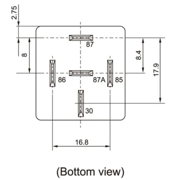
  • Outline dimensions: 28.0 X28.0X25.0

Relay Specification:
 

Contact Form

1A, 1B, 1C, 1U, 2A
Contact Material

AgSno2

Max. Operating Current

40A

Max. Operating Voltage

27VDC

Insulation Resistance

100MΩ

Rated Load(Resistive load)

1A:40A 13.5VDC  20A 27VDC    1C:NO/NC 40A/30A 13.5VDC  20A/15A  27VDC

Dielectric Strength(Coil and Contact)500VAC
Ambient Temperature

-40°C~+85°C

Operate/Release Time10ms/10ms
Mechanical Life

1 X106

Electrical Life(min)

1 X105

Terminal TypeTerminal

 

 

Coil Ratings:

 

Normal voltage(VDC)Pick-up voltage(VDC)Drop-out voltage(VDC)Coil resistance(Q±10%)Parallel resistance(Q±5%)Equivalent resistance(Q±10%)Power consumption(W)Max. allowable overdrive voltage(VDC)
20℃85℃
128.41.290- - 1.6 20.2 15.7
128.41.280 680 79.5 1.8 20.2 15.7
2416.82.4360 - - 1.6 40.5 31.5
2416.82.4320 2700 317.6 1.8 40.5 31.5

 

 

External Dimension:

 

a.jpg

 

 

Remark:(1)In case of no tolerance shown in outline dimension: outline dimension≤1mmtolerance should be ±0.2mm;

 

Outline dimension>1mm and≤5mmtolerance should be ±0.3mmoutline dimension>5mm,

 

tolerance should be ±0.4mm.

 

c.jpg

_01.jpg _02.jpg_03.jpg_04.jpg_05.jpg_06.jpgQ1. What is your terms of packing?
A: Generally, we pack our goods in neutral white boxes and brown cartons. If you have legally registered patent, 
we can pack the goods in your branded boxes after getting your authorization letters.

Q2. What is your terms of payment?
A: T/T 30% as deposit, and 70% before delivery. We'll show you the photos of the products and packages 
before you pay the balance.

Q3. What is your terms of delivery?
A: EXW, FOB, CFR, CIF, DDU.

Q4. How about your delivery time?
A: Generally, it will take 30 to 60 days after receiving your advance payment. The specific delivery time depends 
on the items and the quantity of your order.

Q5. Can you produce according to the samples?
A: Yes, we can produce by your samples or technical drawings. We can build the molds and fixtures.

Q6. What is your sample policy?
A: We can supply the sample if we have ready parts in stock, but the customers have to pay the sample cost and 
the courier cost.

Q7. Do you test all your goods before delivery?
A: Yes, we have 100% test before delivery

Q8: How do you make our business long-term and good relationship?
A:1. We keep good quality and competitive price to ensure our customers benefit ;
2. We respect every customer as our friend and we sincerely do business and make friends with them, 
no matter where they come from.

 

_08.jpg


Данные ресурс не является интернет-магазином, а лишь содержит ссылки на международную торговую площадку Alibaba.com